JCB series slewing ring
Specification and drawing of JCB series slewing ring bearing(STD 01,02,03,06,07,08)
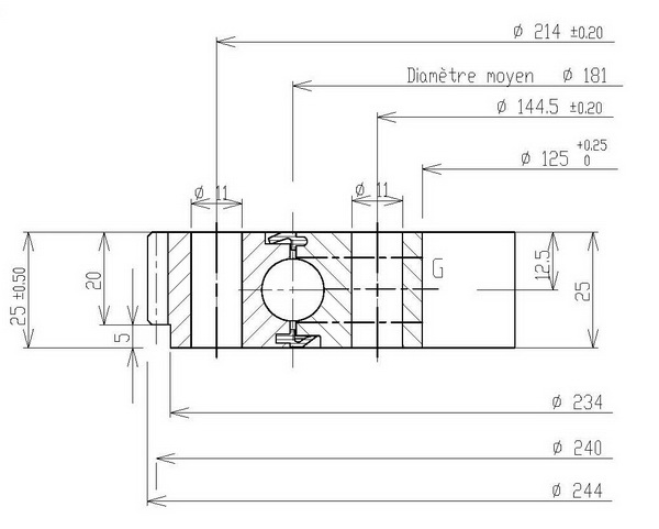
Four-Point Contact Ball Slewing Bearing
External Gear (STD 01,06)

Click "Bearing No." to view its drawing
|
External Diameter
|
Internal Diameter
|
Height
|
Weight(Kg)
|
Module
|
Num. of Teeth
|
Bearing No.
(view drawing)
|
|
244
|
125
|
25
|
5
|
2
|
120
|
|
|
318
|
169
|
45
|
14
|
3
|
104
|
|
|
379
|
210
|
45
|
20
|
4
|
92
|
|
|
403.5
|
234
|
55
|
25
|
4.5
|
88
|
|
|
440
|
265
|
50
|
28
|
4.5
|
95
|
|
|
529
|
323
|
54
|
45
|
5
|
103
|
|
|
535
|
305
|
75
|
61
|
8
|
65
|
|
|
589
|
383
|
75
|
62
|
5
|
116
|
|
|
654
|
390
|
85
|
98
|
8
|
80
|
|
|
689
|
455
|
74
|
89
|
6
|
112
|
|
|
700
|
479
|
77
|
85
|
6
|
114
|
|
|
774
|
516
|
82
|
118
|
8
|
94
|
|
|
816
|
573
|
90
|
129
|
6
|
132
|
|
|
863
|
679
|
82
|
102
|
6
|
142
|
|
|
886
|
610
|
85
|
155
|
8
|
108
|
|
|
979
|
717
|
100
|
178
|
10
|
94
|
|
|
1022
|
770
|
82
|
159
|
8
|
125
|
|
|
1094
|
833
|
82
|
179
|
8
|
134
|
|
|
1144
|
869
|
100
|
228
|
10
|
111
|
|
|
1218
|
930
|
98
|
268
|
10
|
119
|
|
|
1289.5
|
984
|
114
|
330
|
10
|
125
|
|
|
1358
|
1045
|
98
|
325
|
10
|
133
|
|
|
1431
|
1200
|
63
|
176
|
8
|
177
|
|
|
1476
|
1084
|
110
|
503
|
10
|
144
|
|
|
1604
|
1206
|
130
|
653
|
10
|
157
|
|
|
1605
|
1270
|
110
|
469
|
12
|
131
|
|
|
1727
|
1500
|
63
|
213
|
8
|
214
|
|
|
1836
|
1433
|
135
|
791
|
16
|
112
|
|
|
1929
|
1565
|
110
|
617
|
14
|
135
|
|
|
1975
|
1750
|
63
|
244
|
8
|
245
|
|
|
2027
|
1615
|
150
|
1004
|
14
|
142
|
|
|
2140
|
1720
|
130
|
953
|
16
|
131
|
|
|
2165
|
1950
|
68
|
278
|
8
|
269
|
|
|
2268
|
1815
|
140
|
1174
|
16
|
139
|
|
|
2342
|
2091
|
70
|
373
|
8
|
290
|
|
|
2390
|
1950
|
130
|
1111
|
18
|
130
|
|
|
2534
|
2042
|
144
|
1482
|
18
|
138
|
|
|
2695
|
2425
|
63
|
411
|
8
|
335
|
|
|
2790
|
2290
|
164
|
1895
|
18
|
151
|
|
|
3116
|
2600
|
164
|
2200
|
20
|
152
|
|
|
3198
|
2914
|
90
|
716
|
10
|
318
|
Internal Gear (STD02,07)

Click "Bearing No." to view its detail drawing
|
External Diameter
|
Internal Diameter
|
Height
|
Weight(Kg)
|
Module
|
Num. of Teeth
|
Bearing No.
(view drawing)
|
|
300
|
174.5
|
40
|
10
|
3
|
60
|
|
|
385
|
217
|
55
|
24
|
4
|
56
|
|
|
451
|
291
|
55
|
28
|
5
|
60
|
|
|
515
|
316
|
54
|
44
|
5
|
64
|
|
|
562
|
385
|
60
|
44
|
6
|
66
|
|
|
610
|
403
|
68
|
63
|
6
|
68
|
|
|
665
|
457
|
60
|
61
|
6
|
77
|
|
|
740
|
493
|
76
|
105
|
6
|
83
|
|
|
771
|
541
|
70
|
96
|
6
|
91
|
|
|
835
|
578
|
82
|
130
|
8
|
73
|
|
|
871
|
634
|
70
|
113
|
8
|
80
|
|
|
935
|
674
|
82
|
150
|
8
|
85
|
|
|
960
|
706
|
75
|
144
|
8
|
89
|
|
|
975
|
786
|
82
|
120
|
8
|
100
|
|
|
1050
|
794
|
82
|
168
|
8
|
100
|
|
|
1066
|
785
|
85
|
190
|
10
|
79
|
|
|
1170
|
882
|
98
|
258
|
10
|
89
|
|
|
1175
|
961
|
90
|
179
|
10
|
98
|
|
|
1251
|
979
|
91
|
238
|
10
|
99
|
|
|
1360
|
1052
|
98
|
321
|
10
|
106
|
|
|
1390
|
1162
|
63
|
171
|
8
|
146
|
|
|
1431
|
1143
|
97
|
323
|
10
|
115
|
|
|
1530
|
1178
|
130
|
541
|
12
|
100
|
|
|
1560
|
1215
|
110
|
471
|
12
|
102
|
|
|
1676
|
1422
|
78
|
278
|
10
|
144
|
|
|
1770
|
1375
|
150
|
802
|
14
|
100
|
|
|
1870
|
1501
|
110
|
607
|
14
|
108
|
|
|
1916
|
1662
|
78
|
324
|
10
|
168
|
|
|
2002
|
1595
|
150
|
951
|
14
|
115
|
|
|
2130
|
1906
|
68
|
290
|
8
|
239
|
|
|
2190
|
1731
|
144
|
1199
|
16
|
109
|
|
|
2195
|
1780
|
130
|
979
|
16
|
112
|
|
|
2298
|
2066
|
70
|
343
|
8
|
259
|
|
|
2590
|
2110
|
160
|
1626
|
18
|
118
|
|
|
2695
|
2426
|
63
|
414
|
8
|
304
|
|
|
2785
|
2362
|
130
|
1270
|
18
|
132
|
|
|
3020
|
2495
|
158
|
2154
|
20
|
126
|
|
|
3190
|
2914
|
90
|
735
|
8
|
366
|
Without Gear(03,08)

Click "Bearing No." to view its detail drawing
|
External Diameter
|
Internal Diameter
|
Height
|
Weight(Kg)
|
Bearing No.
(view drawing)
|
|
234
|
125
|
25
|
5
|
|
|
290
|
150
|
41.5
|
14
|
|
|
300
|
140
|
52
|
16
|
|
|
329
|
190
|
45
|
17
|
|
|
350
|
190
|
52
|
20
|
|
|
403.5
|
235
|
55
|
26
|
|
|
440
|
240
|
60
|
37
|
|
|
440
|
265
|
50
|
29
|
|
|
455
|
265
|
71
|
45
|
|
|
474
|
336
|
46
|
24
|
|
|
475
|
335
|
45
|
30
|
|
|
500
|
305
|
75
|
51
|
|
|
589
|
383
|
75
|
66
|
|
|
626
|
424
|
72
|
70
|
|
|
700
|
479
|
77
|
90
|
|
|
712
|
487
|
72
|
91
|
|
|
816
|
573
|
90
|
137
|
|
|
900
|
670
|
86
|
148
|
|
|
979
|
717
|
100
|
193
|
|
|
1130
|
845
|
100
|
271
|
|
|
1144
|
869
|
100
|
248
|
Other types: